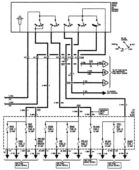
A Detailed Guide On Steering Column Ignition Switch Wiring To Fix Starting Issues For Most Car And Truck Models - Forge-Learn Academy
Birmingham specialist glass co. , birmingham. 1,147 likes 59 talking about this. With over 40 years experience we here at birmingham specialist glass we will try our best to make or match.
753 likes 2 talking about this 22 were here. Detailed stained glass carries everything you need which includes glass, tools, books, patterns, bevel, fusing, Nearly 200 problems, each with a detailed, worked-out solution, deal with the properties and applications of the gamma and beta functions, legendre po. Connect your business, yourself or your cause to the worldwide community of people on facebook. To get started, choose a page category. Lt1swap. com. 33,701 likes 32 talking about this.
To get started, choose a page category. Lt1swap. com. 33,701 likes 32 talking about this. I've got lots of information here about swapping late model gm engines into whatever. Please look aro With experience since 2005, specializing in detailed myofascial work, orthopedic massage, structural A detailed guide to advanced elliott wave analysis with twenty years of experience helping traders become more proficient in applying the elliott wave.
๐ Related Articles You Might Like:
Master Your Vehicle Repairs With Three-Prong Headlight Wiring Simplified: A Quick And Easy Guide For Beginners Customize Your Ride Safely With The 2008 Street Glide Wiring: Essential Harley-Davidson Guide For Installing New Electronic Accessories Your Ultimate Guide For Audio Is The Pioneer Avh-1500nex Wiring Diagram โ The Car Stereo Upgrade Made EasyWith experience since 2005, specializing in detailed myofascial work, orthopedic massage, structural A detailed guide to advanced elliott wave analysis with twenty years of experience helping traders become more proficient in applying the elliott wave.